Retour
Disponibilité Selon les lots
À Louer Bureaux et Activités 1 026 m² divisibles à partir de 78 m² PLAISIR (78370)
Ajouter au comparateur
Vous souhaitez faciliter votre recherche ?
Créez un compte
Présentation du bien
ZA SAINTE APOLLINE, en bordure de la N12 - Immprove vous propose à la location des surfaces de bureaux et d'activités dans un immeuble de bon standing visible depuis la Nationale 12, avec places de parkings.
Surface totale
Nature
Divisibilité
Etat des locaux
1 026 m²
Bureaux et Activités
Oui à partir de 78 m²
Bon état
Prix & Conditions
Loyer :
100 € /m²/an (HT/HC)
650 € /mois (HT/HC)
7 800 € /an (HT/HC)
Divisibles à partir de 78 m²
Impôt foncier :
15.01
Taxe bureaux :
9.04
TEOM :
1.87
Dépôt de garantie :
3 mois de loyer HT HC
Conditions location :
Possibilité de bail précaire
Parking inclus dans le loyer
Parking inclus dans le loyer
Prestations & équipements du bien
Le confort au quotidien
Moquette ou parquet
Sécurité du site
Site clos
Accès sécurisé par interphone et digicode
Prestations spécifiques
Chauffage par convecteurs électriques
Extérieur
13 emplacements de parking extérieurs privatifs attribués par lots et inclus dans le loyer
Autres
Bureaux partiellement cloisonnés
Faux plafond
Plinthes en périphéries
Sanitaires en parties communes
DPE :
Lot C :
Energie : F
Climat : C
Lot G :
Energie : Vierge
Climat : Vierge
Lot Ka :
Energie : F
Climat : C
Lot Kb :
Energie : F
Climat : C
Possibilité de bail précaire
Parking inclus dans le loyer
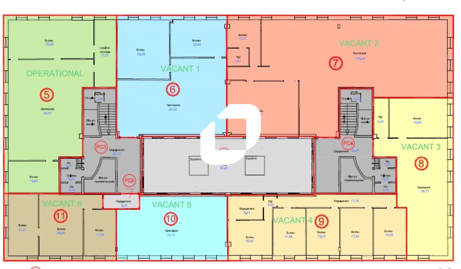
Répartition & surfaces des espaces
Tableau des divisibilités
| Type | Étage | Surface | Loyer (€/m²/an HT HC) |
Charges (€/m²/an HT HC) |
|---|---|---|---|---|
| Activités | Rez-de-Chaussée | 284 m² | 100.00 | 20.10 |
| Activités | Rez-de-Chaussée | 238 m² | 100.00 | 20.10 |
| Bureaux | 1er étage | 263 m² | 90.00 | 8.08 |
| Bureaux | 1er étage | 163 m² | 90.00 | 14.29 |
| Bureaux | 1er étage | 78 m² | 90.00 | 14.29 |
Performance énergétique du bien (DPE)


Informations non contractuelles
Localisation & accès
Transports en commun à proximité
Arrêt de bus « ZA SAINTE APOLLINE » ligne 5114
Accès routier
Nationales N10 et N12
Autoroutes A12, A13 et A86
Adresses
approximatives
Adresses
précises
Nos nouveaux biens qui pourraient vous intéresser
Bureaux et Activités - 3 000m²
PLAISIR (78370)
PLAISIR (78370)
22 875.00€/mois HT HC
Disponibilité : Immédiate
Surface : 3 000 m²
Les entrepreneurs ayant consulté cette offre ont aussi consulté celles ci
Bureaux et Activités - 4 645.22m²
VILLIERS SUR MARNE (94350)
VILLIERS SUR MARNE (94350)
54 180.00€/mois HT HC
Disponibilité : Immédiate
Surface : 4 645.22 m²
Bureaux et Activités - 6 512m² Divisibles à partir de 3 256 m²
PANTIN (93500)
PANTIN (93500)
3 152.50€/mois HT HC
Disponibilité : Immédiate
Surface : divisibles à partir de 3 256 m²
Bureaux et Activités - 2 032m² Divisibles à partir de 396 m²
SAINT OUEN (93400)
SAINT OUEN (93400)
6 270.00€/mois HT HC
Disponibilité : Immédiate
Surface : divisibles à partir de 396 m²
Bureaux et Activités - 1 002m²
SAINT PATHUS (77178)
SAINT PATHUS (77178)
Prix sur demande
Disponibilité : Immédiate
Surface : 1 002 m²