Retour
Disponibilité Immédiate
À Acheter Bureaux 455 m² divisibles à partir de 72 m² PLAISIR (78370)
Ajouter au comparateur
Vous souhaitez faciliter votre recherche ?
Créez un compte
Présentation du bien
ZA SAINTE APOLLINE, en bordure de la N12 - Immprove vous propose à l’acquisition des surfaces de bureaux dans un immeuble de bon standing, bénéficiant d'une excellente visibilité depuis la Nationale 12. Pour de plus amples informations ou demande de visite, n'hésitez pas à nous contacter.
Surface totale
Nature
Divisibilité
Etat des locaux
455 m²
Bureaux
Oui à partir de 72 m²
Bon état
Prix & Conditions
Vente :
1 125.00 € (HD)
1 125.00 € /m² (HD)
Divisibles à partir de 72 m²
Impôt foncier :
17.55
Taxe bureaux :
12.03
TEOM :
2.46
Conditions vente :
Loi Carrez et affectation juridique en cours de détermination
Parkings inclus dans le prix de vente
Parkings inclus dans le prix de vente
Prestations & équipements du bien
Le confort au quotidien
Moquette ou parquet
Sécurité du site
Site clos
Accès sécurisé par interphone et digicode
Prestations spécifiques
Chauffage par convecteurs électriques
Extérieur
13 emplacements de parking extérieurs privatifs attribués par lots et inclus dans le loyer
Autres
Bureaux partiellement cloisonnés
Faux plafond
Plinthes en périphéries
Sanitaires en parties communes
Loi Carrez et affectation juridique en cours de détermination
Parkings inclus dans le prix de vente
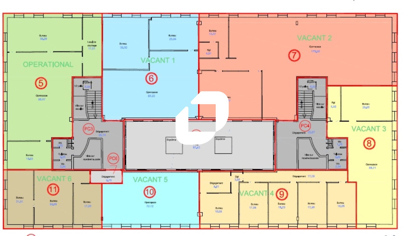
Répartition & surfaces des espaces
Tableau des divisibilités
| Type | Étage | Surface | Prix achat (€/m² HT HC) |
Charges (achat) (€/m² HT HC) |
|---|---|---|---|---|
| Bureaux | 1er étage | 240 m² | 1 125.00 | 32.77 |
| Bureaux | 1er étage | 143 m² | 1 125.87 | 32.77 |
| Bureaux | 1er étage | 72 m² | 1 138.89 | 32.77 |
Performance énergétique du bien (DPE)


Informations non contractuelles
Localisation & accès
Transports en commun à proximité
Arrêt de bus « ZA SAINTE APOLLINE » ligne 5114
Accès routier
Nationales N10 et N12
Autoroutes A12, A13 et A86
Adresses
approximatives
Adresses
précises
Nos nouveaux biens qui pourraient vous intéresser
Bureaux - 697.70m²
NOISY LE GRAND (93160)
NOISY LE GRAND (93160)
750 322.08€ HT HC
Disponibilité : Immédiate
Surface : 697.70 m²
Bureaux - 718m² Divisibles à partir de 230 m²
PARIS (75003)
PARIS (75003)
0.00€ HT HC
Disponibilité : Immédiate
Surface : divisibles à partir de 230 m²
Les entrepreneurs ayant consulté cette offre ont aussi consulté celles ci
Bureaux - 697.70m²
NOISY LE GRAND (93160)
NOISY LE GRAND (93160)
750 322.08€ HT HC
Disponibilité : Immédiate
Surface : 697.70 m²
Bureaux et Activités - 1 002m²
SAINT PATHUS (77178)
SAINT PATHUS (77178)
1 549 993.80€ HT HC
Disponibilité : Immédiate
Surface : 1 002 m²
Bureaux - 113.06m² Divisibles à partir de 37.51 m²
TRAPPES (78190)
TRAPPES (78190)
121 600.00€ HT HC
Disponibilité : Immédiate
Surface : divisibles à partir de 37.51 m²